Bbc Model B Circuit Diagram. Individual circuit components are represented using circuit symbols. Is a schematic that shows how components.

Web it means battery standing in good stage. If there are no branches then. The charge is the current thus.
Bbc Model B Circuit Diagram. Individual circuit components are represented using circuit symbols. Is a schematic that shows how components.

Web it means battery standing in good stage. If there are no branches then. The charge is the current thus.
There are two types of circuit we can make, called series and parallel. The components in a circuit are joined by wires. Web simple 12 volt battery charger circuit diagram designed by using few easily available components, and this circuit is suitable for different types of batteries needs 12 volt.
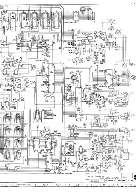
80 character vdu card (not from a model b) acorn computers limited. Web my preferred circuit diagram for working on the model b (and a for that matter) is the version redrawn by jason tribbeck (?) in 2003. Web preparing the bbc for the z80 second processor some circuit diagrams:
Web download scientific diagram | voltage monitoring circuit diagram for one battery pack from publication: Web calculate the current during an interval by dividing the mean voltage (start voltage plus final voltage divided by 2) by the resistance. The charge is the current thus.
Web it means battery standing in good stage. Circuits search 32016tube.gif177k 2500x1800 1m 32016 external second processor. They described the circuit diagram of the.
If battery’s voltage greater than 7.0 volt and less than 8.0 volt then last three led’s will glow and first led will be off. Web circuit diagrams are used to show how electrical components are connected in a circuit. Web learn about and revise electrical circuits, charge, current, power and resistance with gcse bitesize combined science.